Tasca 10 (08-06-20)

Oberta el Thursday, 28 May 2020, 09:30

Aquesta és l’última tasca que realitzareu en aquest trimestre: heu de dissenyar els següents circuïts pneumàtics amb el simulador de neumática i gravar amb vídeo la demostració del seu funcionament (no cal explicar al detall per on circula l’aire, tan sols dir què és el que passa quan premem les vàlvules).

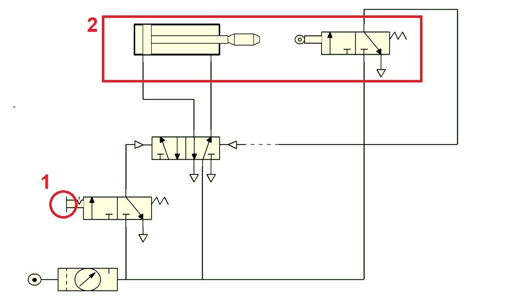
  • A) Realitza el circuït que tens representat en la imatge següent:

Amb aquesta pràctica utilitzaràs la vàlvula de fi de cursa, que sol servir per retornar el cilindre de doble efecte al seu estat de repós. Aquest sistema s’aplica quan volem un retorn ràpid de la tija, per exemple quan estampem dibuixos o segellem objectes. Per fer la pràctica has de posar atenció a dos aspectes importants:

    1. Quan graves el vídeo has d’activar aquesta vàlvula i desactivar-la de seguida. Com que el simulador no té una vàlvula amb polsador s’ha de fer d’aquesta manera.
    2. Has d’alinear, i deixar un espai, entre la vàlvula de final de cursa i el cilindre de doble efecte, tal i com es mostra al dibuix.
  • B) Dissenya un circuït pneumàtic amb 5 vàlvules de comandament (A, B, C, D i E) que active i desactive un cilindre de doble efecte (hauràs de jugar amb les vàlvules AND i OR). Les condicions són les següents:
    • Per activar el cilindre de doble efecte cal prémer A i també B o C.
    • Per desactivar el cilindre de doble efecte cal prémer D o E.
    • Per començar a dissenyar el circuït situa les vàlvules tal i com es mostra a la imatge, ja que no es disposa de molta superfície de dibuix: